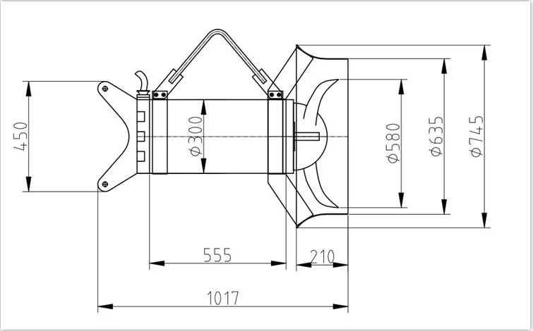
可提升式安装潜水搅拌机安装示意图

杜安环保QJB潜水搅拌机技术要求:
(1)潜水搅拌机由叶轮、潜水全铜线圈电机及不锈钢安装支架等组成。潜水搅拌机通过导杆安置在池底处的支架上,安装导杆保证自由升降,提升和安装搅拌器无需将水池放空。
导杆系统搅拌机全部的重量受力在提升支架上,并且这个支架可承受搅拌器产生的推力。
(2)潜水搅拌机的壳体厚度足以承受荷载,表面平整无气孔,结构紧凑。各水封面采用丁晴橡胶O形圈密封。
(3)潜水搅拌机的螺旋桨设计成自清洁、无堵塞的形式,为适应水的流态较优化设计,可防止污水中纤维物的缠绕。采取必要措施防止污物进入机械密封所在的油室。
潜水搅拌机桨叶材质的选择应重点从刚性和耐磨寿命方面考虑。螺旋桨和轮毂整体在工厂内经G6.3级动平衡检验合格。
(4)电机和螺旋浆轴应为同轴设计,轴应具有足够的刚度,以承受正常工作、启动、停机时可能出现的较大扭矩。
(5)轴承能同时承受轴向和径向力以及对轴定位。为耐磨、油脂润滑轴承,与介质能够隔离,设计使用寿命不低于100000小时。
(6)介质端轴封为机械密封,其摩擦副为碳化钨或碳化硅,具有良好的化学稳定性和热传导性,使用寿命长。在不影响或失去密封功能的情况下,密封可以顺时针或逆时针转动。每台潜水搅拌机的轴密封系统有一个油室,油室从设计上能防止油过满和留有油膨胀的空间。机械密封设计寿命不低于25000小时。
(7)配备符合IEC标准的潜水型三相鼠笼型异步电机,防护等级为IP68(水深6.5~7m),允许淹没深度为水下20米,H级绝缘等级 B 级温升,电机轴和转子经动、静平衡测试合格。电机运行产生的热量由周围搅拌流动的介质带走而冷却。潜水电机设计为可连续运行,整个运行期间不发生过载。每小时允许启动次数大于10 次。潜水电机为全铜线圈电机。电机应能提供足够的输出功率,以保证潜水搅拌器在其整个推流曲线中不会发生过载。电机能被周围搅拌介质充分冷却。
(8)电缆采用潜水、柔性电缆,绝缘等级H。电机配有用于控制和动力的水下型电缆,为同一根电缆,单独进口,电缆接入接线室使用可重复使用的压缩橡胶套及O 形圈进行密封。电缆入口处有弹性衬套,保证防水和水密封。靠密封管和套圈之间的相互作用,使衬套沿电缆轴向移动,可保证电缆的更换。为了防止异物进入电机内部,采用接线端子板、密封垫等将电机室和接线室能够隔离开来。端子板采用螺栓固定,电缆牢固地连接到接线端子板上。随机配套提供电缆长度为10米。
(9)潜水搅拌机配套带有渗漏、过载、过温报警等监控元件。监测元件的设置能有效保护设备。当设备发生渗漏、过载、过温或其它故障时,能及时中断工作,并能向中控室送出相应的报警及保护信号。
(10)潜水搅拌机配有可沿导轨上下移动的滑动托架,能提供三个方向的支撑,保证搅拌贡的安装和维护快速、经济。同时安装装置还应该能够抵消运转时螺旋浆的反作用力和一些振动,保证搅拌器运转时的稳定性。每台潜水搅拌机配置起吊用装置,其位置位于潜水搅拌机的重心附近,并设置不锈钢提升链。
(11)安装潜水搅拌机根据潜水搅拌机所在水池的尺寸、安装条件及设备性能要求复核搅拌器的具体位置,确定潜水搅拌机的功率、叶轮直径、转速、安装高度、安装角度等。
(12)每台杜安环保QJB潜水搅拌机在污水中工作,具有足够的混合、搅拌能力,能在允许淹没深度为水下20米全浸没的条件下连续运行、间歇运行和长期停止状态后恢复运行,潜水搅拌机在整个运行过程中保持无振动平稳运行,可连续运行时间至少为10000小时,寿命不低于10年。
(13)潜水搅拌机在垂直方向的安装高度及在水平方向的安装角度在运行中应可调,其水平角度调整范围不小于120°。
(14)潜水搅拌机的全部材料适用于污水的腐蚀环境,材质为316不锈钢或304不锈钢。

江苏杜安环保可提升式安装潜水搅拌机主要原材料
杜安环保QJB潜水搅拌机的原材料要求不低于以下材质,如有优化需补充说明。潜水搅拌机的主要零部件名称及材料:
叶轮: 316L 不锈钢
机壳:316L 不锈钢或锌阳极
导杆(或导索)、吊链:316L 不锈钢
所有紧固件、连接件:316L 不锈钢
可提升式安装潜水搅拌机制造、检验、试验和验收
(1)杜安环保质检部建立一套完整的质量检查制度,以保证所有影响产品的牢固性、可靠性、操作性能以及长期运转性能的各种因素都已经过考虑,并对加工、检验及测试设备进行必要的试验、检验和标定。
(2)潜水搅拌机制造、检验、试验和验收时,应按相关的标准、规范、规定进行。
(3)潜水搅拌机所使用的材料进行检验,并出具材料出厂合格证、材料检验和试验记录。
维护保养说明:
1、新机开始运转200~300小时后需更换减速机润滑油,并清理内部油污。以后可在半年到一年内更换一次;有关减速电机使用详见生产厂家使用维护说明书。
2、定期检查搅拌轴锁紧螺母、各连接螺栓有无松动。
3、定期检查搅拌轴摆动情况,及时清除叶轮和轴上的缠绕物。
4、定期检查转运部件有无异常声音及温升。
5、定期检查电流有无异常变化。
6、设备长时间不工作后再次开机前应检查电机的绝缘,同时防止沉淀物长时间淤积造成启动困难,而损坏电机和叶轮。
7、以上检查应做好记录,若出现异常情况与我公司联系。








