| 产地 | 是否进口 | 订货号 | |||
| 品牌 | 货号 | 型号 | |||
| 加工定制 | 名称 | 适用范围 | |||
| 材质 | 体积 | 颜色 |
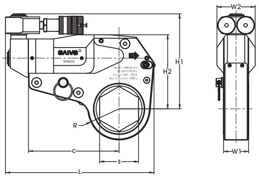
产品说明:
1、一体成型动力头,采用超高强度轻金属,全面提高强度及寿命。
2、可360°*180°旋转油管接头,完全无使用空间限制。
3、高精度的零部件设计,扳手工作重复精度高达3%。
4、使用简便,可单人操作,全自动控制,连续拆锁,有效提高工作效率。
5、适用于拆锁上方空间较小的螺栓,一台扳手可拆锁多种规格的螺栓,配扳手泵可同时驱动多台扳手工作。
6、工作头全包容设计,安全可靠。
7、超轻,超薄,大扭力,适应各种''高难度“空间。
使用扭矩范围:235-38463Nm
螺栓六角对边尺寸:19-155mm
最大工作压力:70MPa






通过 
