
- 产品信息
-
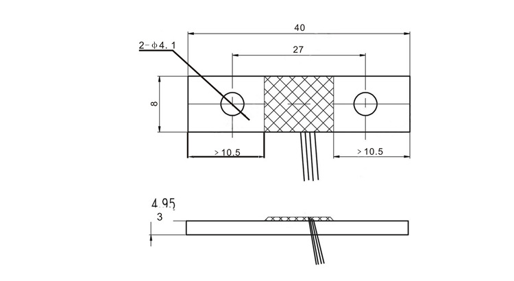
微型称重传感器主要适用于人体秤,手提秤,厨房秤,钓鱼称等多种电子称重设备

|
参数 |
|||
|
量程 |
40kg |
||
|
综合误差 |
0.3%F.S |
输出阻抗 |
1000±10Ω |
|
灵敏度 |
1.2±0.2mV/V |
工作温度 |
-10~+40℃ |
|
零点输出 |
±0.3mV/V |
零点温度系数 |
0.3%F.S/10℃ |
|
非线性 |
0.2%F.S |
灵敏度温度系数 |
0.2%F.S/10℃ |
|
重复性 |
0.05%F.S |
绝缘电阻 |
≥2000MΩ |
|
滞后性 |
0.2%F.S |
激励电压 |
3-10VDC |
|
蠕变 |
0.1%F.S/3 分钟 |
安全过载 |
120%F.S |
|
输入阻抗 |
1000±10Ω |
线缆 |
Φ0.6×110mm |
|
|
q



通过 

