
型号:RC-K2C加强抗变频器干扰系列量程:(用户自定)
输出:4-20mA 精度:0.2级
尺寸:19×40.5mm
电源:+12VDC~+36VDC
特性:采用本安型设计,具有电源反极性保护,断线保护过电流保护(保护值 25±2mA),非线性补偿。为传感器提供电流或电压激励,适用于各类桥接传感器,传感器满度输出应大于3mV。
备注:输入可配套扩散硅,陶瓷压阻,应变片等压力传感器。
RC-K2/K2C系列
——压力变送器电流放大板
一, 概述
RC-K2/K2C系列压力变送器放大电路板主要配套于微小型压力变送器壳体(直杆型/棒状/L型)。该电路板采用新型设计思路,加强线性优化,抗(变频器)干扰等处理。使得变送器在使用过程中稳定性大大提高。目前已被广大压力变送器厂家使用。
二, 性能指标
适用性:扩散硅、陶瓷压阻、应变式传感器芯片(用户自选)
输出信号:4-20mA 二线制
供电电源:24V DC (12-36V)
外形尺寸:19×38.5mm
抗干扰:普通型(K2),加强型(K2C)
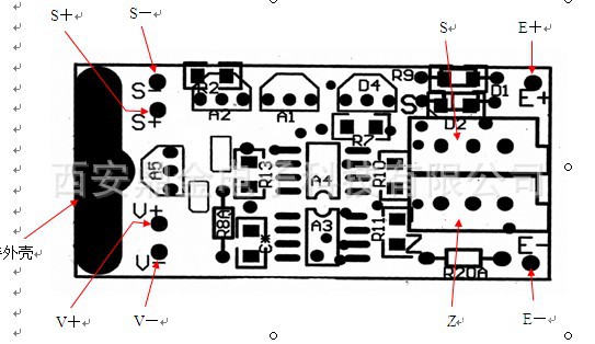
三,接线图:
四,接线说明
E+ —— 电源+ 24V DC E- —— 电源- 0V 4~20mA输出
V+ —— 传感器电源+ V- —— 传感器电源-
S+ —— 传感器信号+ S- —— 传感器信号-
Z —— 调零电位器 S —— 调满电位器
q